您现在的位置: 首页 >> 答疑变更 >> 安徽公共资源交易集团项目管理有限公司 >> 工程
一、原公告主要信息
原项目名称: 合作化南路(美和路—习友路)及美和路(金寨路—合作化路)工程
原项目编号: 2020BFFGZ01303
原公告日期: 2020年06月29日
二、公告内容(更正事项、内容及日期等)
合作化南路(美和路—习友路)及美和路(金寨路—合作化路)工程招标补疑2
项目编号:2020BFFGZ01303-补2
各投标人:
1、招标文件中附录5要求投标人:“提供投标人所属社保机构出具的拟委任的项目经理开标之日前半年内连续三个月(社保时间要求)社保缴费证明或其他能够证明拟委任的项目经理参加社保的有效证明材料,项目经理的社会保险的缴纳单位应当是投标人或者投标人不具备独立法人资格的分支机构)”请问:由于疫情原因影响,国家、各地方省市进行了阶段性减免社会保险费的决策部署,受疫情影响企业的社会保险费将进行阶段性减免或缓缴。目前我单位员工的基本养老保险在2020年2-4月区间内的缴费状态为未制定计划,此种情况下的养老保险证明是否予以认可?或提供相关省级人力资源和社会保障厅《关于阶段性减免企业社会保险费的实施意见》网站截图是否予以认可?若不认可,请明确具体处理方式。
答: 受疫情影响拟委任的项目经理不能提供2020年2-4月区间社保缴费证明的企业,可以提供2019年10月份之后连续三个月社保缴费证明或其他能够证明拟委任的项目经理参加社保的有效证明材料,另外需附企业所在地省级人力资源和社会保障厅《关于阶段性减免企业社会保险费的实施意见》网站截图。
2、 招标文件P20页10.3.1 (1)投标所需资料中列举需上传主体信息库挑选的内容“③项目经理和项目技术负责人各类证件信息:注册建造师证书、 B 类安全生产考核合格证书、技术职称证书等;④技术能力、奖项、荣誉等”,在电子标书制作工具中并未做挑选链接,是否上传文档资料即可?
答:招标文件中要求上传的各类信息必须上传,没有链接须上传扫描件。
3、资格审查资料模块中可从主体库挑选的企业业绩是否只需挑选资格审查业绩,企业加分业绩及获奖资料上传文档至商务文件“其他资料”中即可?
答:可以。
4、编制投标文件所需的其他资料中列举需扫描后通过“其他资料”窗口上传的内容如财务会计报表、项目经理承诺、发包人出具的证明、委托代理人身份证、委托代理人及项目管理机构人员社保证明、投标保证金银行保函、投标保证金工程担保、联合体协议书,在电子制作工具其他模块中已有格式,是否无需重复上传至“其他材料”?
答:电子制作工具已有相应上传模块的,从电子制作工具已有模块上传。没有相应模块的从其他资料模块上传补充。
5、 招标文件P175页“(七)项目经理承诺”格式注明上传至“其他材料”,而“(七)项目经理承诺”在电子制作工具资格审查资料模块中已有格式,是否无需重复上传至“其他材料”?
答:电子制作工具已有相应上传模块的,从电子制作工具已有模块上传。没有相应模块的从其他资料模块上传补充。
6、 招标文件P36页项目技术负责人资历要求技术职称为道路与桥梁或市政道桥相关专业高级及以上,请问土木工程或市政工程或交通土建工程是否符合相关专业要求?
答:符合。
7、 招标文件P9页1.4.4“投标人被合肥市城乡建设局因安全生产责任事故限制在合肥行政区域内承接新的工程项目且在限制期内”,是否需要单独做出承诺?如需要,是否必须在投标函中作出承诺?
答:按照招标文件执行。
8、 电子制作工具中商务、技术、报价封面及法定代表人身份证明或授权委托书是否需要盖章扫描后上传再加盖电子印章?
答:需要。
9、单位工程“02-合作化南路(美和路-习友路)工程-道路工程”中第34条清单混凝土防撞护栏,控制价为994.02元/m,根据图纸道路-27中工程量如下图所示,钢筋含量113kg/m、C30混凝土含量1.23m3/m,C30商品砼料价为625.72元/m3,所算价格远高于控制价,是否控制单价有误?另项目特征中未说明包含模板,且该单位工程清单中没有混凝土防撞护栏的模板,是否清单漏项?

答:相关钢筋工程量已含在清单序号49、50子目里,综合考虑报价,中标后不再调整。
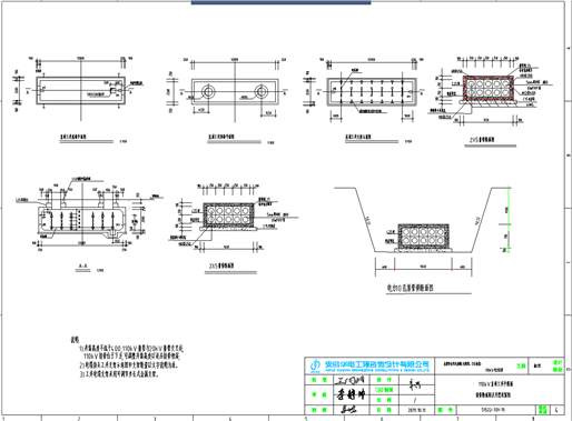
10、“05-合作化南路(美和路-习友路)工程-电力排管工程”中第11条清单项目特征与图纸S1522-T01-24不符, 以哪个为准?
清单特征为
1、规格:2X5孔
2、排管主材:DN200mmBWFRP管壁厚5mm
3、配套管枕
4、C25钢筋混凝土包封
5、C15混凝土底板
图纸断面为

答:清单编制无误,编制依据详见110kV直通工井平断面排管断面图及开挖布置图(图号S1522-T01-15)

11、电子制作工具中投标文件(商务文件)资格审查资料的项目经理终身责任制承诺,招标文件中为合同专用条款附件十四,投标阶段是否无需提供此项承诺?
答:按照招标文件执行。
12、招标文件投标人须知前附表1.3.3 质量标准:合格,10.14招标人补充的其他内容中“本项目要求承包人必须确保获得安徽省“黄山杯”奖和“安徽省建筑安全生产标准化示范工地”,同时争创国家级工程奖(如“国家优质工程奖”,“鲁班奖”)”,请明确投标函中质量标准需如何填写,是否填合格即可?
答:是的,质量标准为合格。
13、招标文件投标格式报价部分P192-194页(十八)、(十九)、(二十)三个表,注明放置在“投标所需证明材料”中,而电子制作工具中已无此模块,请明确此三张表应放置在何处?
答:按照招标文件执行。
15、招标文件P136页要求“7、投标人必须在投标文件中明确工程开工后拟投入的试验人员名单、试验仪器及设备、检测单位资质等情况”,请问:投标阶段是否无需提供此项资料,中标后再提供?
答:投标阶段无需提供此项资料,中标后再提供
16、本项目采用电子招标投标方式,电子目录如下图所示,电子目录中的评标价是指对应节点内容位置。

请问:
1)因电子目录中无对应的节点内容名称,怎么对应施工组织设计正文的中的标题内容?还是施工组织设计整个文档上传即可?
2)招标文件P187页投标文件格式中的施工组织设计正文内容标题与P60~61页招标文件评标办法中的《详细评审标准》施工组织设计评分因素(标题)不一致,请问:施工组织设计正文以哪个标题为准进行编制(且与电子目录中的节点内容对应)?
答:1)整个文档上传即可。2)按照招标文件P187页投标文件格式中的施工组织设计正文内容标题为准编制,但应充分体现出《详细评审标准》施工组织设计评分因素相关内容。
17、招标文件要求投标人提供业绩证明资料:“(2)中标查询网址及查询截图,或建设行政主管部门网站公布的施工许可证办理查询截图,或信用评价体系查询截图”,请问全国建筑市场监管公共服务平台作为全国建筑市场诚信信息评价发布平台,其信用平台提供的中标查询截图和查询网址是否予以认可?
答:认可。
18、招标文件要求投标人提供业绩证明资料:“(3)竣工验收证明文件(须有建设单位、设计单位、监理单位、施工单位等盖章)”,请问合同施工内容为公路兼城市主干路或城市快速路且为市政道路和桥梁工程的交工验收报告是否予以认可?
答:按照招标文件执行。
19、招标文件要求投标人业绩须包含桥梁工程施工内容,请问含桥涵工程的市政道路工程是否予以认可?
答:按照招标文件执行。
注:此补疑视同招标文件的组成部分,与招标文件具有同等法律效力,请随时关注安徽合肥公共资源交易中心网站企业库系统发布的信息并及时下载。
我们对招投标过程中给您带来的不便深表歉意,并感谢您对我们工作的理解和支持。
2020年7月14日
三、附件
答疑发布日期:2020年07月14日